|
|
fib-02-10.htm
05.2004 |
Nie wieder Ärger beim Takeln
Beim Takeln eines der alten Schiffe bestanden oft die gesamten Unterlagen aus wenigen Vermerken und Skizzen im Notizbuch des Baumeisters. Der Rest lag als Erfahrungswert oder als Vorstellung in seinem Kopf. Da menschliche Köpfe nun mal nicht unfehlbar sind, ergaben sich bei der Umsetzung dieser Vorstellungen in die Praxis jede Menge -Reibereien", und das zwischen den Seilen selbst und zwischen "Soft-" und "Hardware". Bei der Vorstellung des verwirrenden Spiels, das sich bei allen möglichen Segelmanövern ergab, wurde die Vermeidung von Berührungen der einzelnen Elemente untereinander zu einer fast unlösbaren Aufgabe, heute vergleichbar mit der Ampelschaltung einer Großstadt, die mit einem umfangreichen Computerprogramm berechnet wird. Bei einer groben Unterteilung des Takelguts ergeben sich zwei Komplexe: das stehende und das laufende Gut. So wie das stehende Gut, getreu seinen Namen, Masten und Stangen in Position hält, bringt das laufende Gut alles, was sich bewegen soll, in die gewünschte Lage. Alles was getan werden muß, diese beiden Komplexe zu ihrer Funktion zu bringen, nennt man "takeln". Während beim Takeln des Vorbilds oft eine Unzahl von Händen gleichzeitig wirken, ist beim Modell meist nicht einmal Platz für zwei Finger. Also muß man die Finger künstlich verlängern, nur daß die künstlichen Fingerspitzen jeglichen Gefühls entbehren. Und genau da liegt der Schwachpunkt.
![]() |
![]() |
![]() |
| Abb. 2: Vier-Stufen-Pinzette, Arbeitsgänge 1-4. P = gerundeter Bereich. |
Abb. 3: Vier-Stufen-Pinzette, Arbeitsgänge 5, 6 und 9. |
Abb. 5: Klebeversion. |
Die Frage eines Neulings, welche Art Werkzeuge zu solch kompliziertem Takelwerk führen, löst für gewöhnlich folgende Aufzählung aus: Eine gute lange Pinzette, eine lange Schere, zwei Haken, einmal konvex und einmal konkav, und ein Draht mit Öse. Und manch einer hat's mit diesen paar Hilfsmitteln zu höchster Meisterschaft gebracht. Das am meisten eingesetzte Hilfsmittel ist die Pinzette. Was man sich unter einer Pinzette vorstellt, ist ein schlankes Etwas, was aber nichts anderes kann als packen und loslassen. Was hier fehlt, ist die Möglichkeit, den Faden unter beliebiger Spannung weiterzuführen oder zu fixieren. Um diesen Mangel auszugleichen, zeigen sich zwei Wege: Der erste ist der zusätzliche Einsatz von mehreren exotisch geformten "Enterhaken". Der zweite besteht darin, die Pinzette zu verbessern. Hier gibt es wiederum zwei Möglichkeiten. Die erste ist, eine herkömmliche Pinzette aufzumöbeln, die zweite ist, eine neue zu konzipieren. Betrachten wir zunächst die Möglichkeit 1.
![]() |
Die Vier-Stufen-Pinzette | -.- |
Wie aus der erwähnten herkömmlichen Pinzette das wird, was gerade angepriesen wurde, geht aus der folgenden Beschreibung hervor. Das Objekt unserer "Aufmöbelaktion" ist eine von der Firma Hogetu, Heimweg 6, 78555 Gosheim vertretene 15 cm lange "Pinzette mit Schloß". Um auch bescheideneren Fertigungsverhältnissen gerecht zu werden, sind hier die Änderungsvorschläge A und B aufgezeigt:
![]() |
- Vorschlag A: | -.- |
![]() |
- Vorschlag B (Abb. 1 /B) | -.- |

![]() |
Betrachten wir nun die Möglichkeit 2: | -.- |
Die Schiebepinzette
Um diesen Sonderling (Abb. 1/C dem Publikum schmackhaft zu machen, werden erst einmal die Vorteile aufgezählt. Das Wichtigste ist, daß es für diese Ausführung größenmäßig sowohl nach oben als auch nach unten keine Grenze gibt. Dazu gehört der Umstand, daß eine Verlängerung, die sich bei einer normalen Pinzette auf die Druckverhältnisse auswirkt, den Schiebevorgang nicht beeinflußt. Hinzu kommt noch, daß der Faden unabhängig von seiner Dicke immer in der vordersten Position bleibt. Das letzte, aber nicht unwesentliche Argument ist die Tatsache, daß sie mit, weniger Schnickschnack auskommt als die "aufgemöbelte", bei gleichen Funktionen. Das war die PR-Predigt, jetzt kommt das Kleingedruckte: Gebrauchen kann diesen Wunderschieber nur derjenige, dem es gelingt, sein motorisches Nervensystem von der Drucksteuerung, von der eine normale Pinzette regiert wird, auf einen Schiebevorgang umzustellen. Wer das schafft, der ist gar nicht so schlecht dran. Ein Urteil fällen kann allerdings nur, wer das Ding hat. Und dazu muß es erst einmal hergestellt werden.
Als Ausgangsmaterial dient ein 7 mm breiter Blechstreifen von 1 mm Dicke. Die ideale Materialauswahl wäre V2A für den Grundkörper (Teil 1) und Messing für den Schieber. Damit sorgt der Grundkörper für die Stabilität und der Schieber für den reibungslosen Ablauf.
Hier ein Hinweis für den Nichtmetaller: Gleiche Materialien haben gegeneinander meist schlechte Gleiteigenschaften und umgekehrt.
Die auf Abb. 1 bei "C" gezeigte Pinzette hat beide Teile aus V2A. Das funktioniert, aber nur wenn beide Teile sorgfältig poliert sind und die Verbindung lösbar ist. So besteht immer die Möglichkeit einer nachträglichen Glättung. Alle zur Herstellung erforderlichen Maße stehen in der Zeichnung (Abb. 6). Außer der Greifpartie ist die gesamte Fertigung unkompliziert, und auch hier sind es weniger die Maße als die Paßform. Der Herstellungsablauf dieses Teilbereichs ist auf Abb. 7 dargestellt.
Klemmkulisse (Abb. 8)
Diese kleine Drehkulisse ist nachträglich addiert worden, weil die anfängliche Selbsthemmung des Schiebers nach längerem Einsatz verloren gegangen ist. Die Form ist auf der Abbildung zu erkennen, sie dreht sich um einen Messingstift, der im Unterteil des Schiebers festgelötet ist. Es empfiehlt sich, die Klemmkurve mit Aufmaß zu fertigen und sie dann bei einem in den Greifbereich eingelegten Faden durch Nacharbeit zur Funktion zu bringen. Geschlossen wird die Kulisse durch Autlöten einer 5-mm-Messingscheibe. Der klemmbare Fadendurchmesserbereich ist zwar durch die kurze Selbsthemmungskurve ziemlich gering, aber er reicht in jedem Fall zur Belegung der Seile eines Modells, da die zu belegenden Seile innerhalb des gleichen Maßstabes nicht wesentlich voneinander abweichen.
![]() |
![]() |
![]() |
| Abb. 7: Herstellung der Greifkralle, Op. 2-5. S = Schraubstock, M = Matrize, V = Verlängerung. |
Abb. 8: Klemmkulisse. L = Lösen, K = Klemmen. |
Abb. 9: Fadenführung bei der Belegung von Klampen und Nägeln. |
![]() |
Handhabung | -.- |
Da trotz unterschiedlicher Bauweise die Funktionen sowohl der Vier-Stufen-Pinzette als auch der Schiebepinzette in etwa gleich sind, werden sie auch gemeinsam behandelt.
![]() |
Takelplan | -.- |
Ehe die akribischen Vorgänge der Takelei behandelt werden, hier noch ein Vorschlag zur Organisation. Es geht darum, eine Nummern-Verbindung zu schaffen vom Plan zum Modell und zurück - und das für alle Seilläufe mit ihren Anlaufpunkten. Diese Numerierung ist nicht neu und auch bei vielen Plänen vorhanden. Nur haben diese Nummern meist keinen Definitionscharakter. Die in nachfolgender Tabelle gezeigte Numerierung ist ebenfalls nicht neu, wird aber leider nicht konsequent angewandt. Der Aufwand, einen Plan mit aussagefähigen Nummern zu versehen, macht sich später mehrfach bezahlt. Die hier gezeigte Tabelle läßt sich je nach Art des Modells modifizieren oder erweitern.
Numerierungssystem| Mast | Nr. | Rah | Nr. | Funktion | Nr. |
| Fock | 1 | Groß | 1 | Fall | 1 |
| Groß | 2 | Mars | 2 | Topnant | 2 |
| Besan | 3 | Bram | 3 | Rack | 3 |
| Bugspriet | 4 | Royal | 4 | Brasse | 4 |
| . | . | Besan | 5 | Schoten | 5 |
![]() |
Fallbeispiel: 2-2-3 = Großmast-Mars-Rack | -.- |
Das eigentliche Takeln
Aufschießen der Taue
In der Seemannssprache gibt es zwei Formen des Aufschießens, einmal gegen die Sonne und einmal mit der Sonne. Hier handelt es sich um ein Stück Seemannssprache aus der das Alter hervorgeht, denn die Drehrichtungsangabe, bei der man sich heute des Uhrzeigers bedient, muß entstanden sein, als man noch glaubte, die Sonne drehe sich um die Erde. Während aber die Windungsrichtung eines aufgeschossenen Seils für den Modellbauer nicht so wichtig sein dürfte, ist der Umstand, ob die Seilrolle A) auf Deck liegt (Abb. 1) oder B) über einem Nagel oder Poller hängt (Abb. 2) schon einiger Gedanken wert. Vor dem Einstieg in diese Wickelei mit oder gegen die Sonne noch ein schon etwas verspäteter Hinweis: Man unterscheidet zwei Modellkategorien, einmal die Ausführung mit vollgesetzten Segeln, zum anderen jene mit gerafften Segeln bzw. ohne Segel. Im ersten Fall sind alle Rahen oben, im zweiten sind alle außer den Großrahen unten, d.h. der größte Teil des Seils ist von den betroffenen Belegstellen weggelaufen. Die zweite Kategorie ließe sich also in die erste verwandeln, aber nicht umgekehrt. Und damit zurück zum Eingangsthema.
A) Seilrolle auf DeckOb man das Seil entsprechend länger läßt und die Rolle vor Ort zusammenlegt, oder ob man das Seil kappt und die Rolle außerhalb des Modells legt, ist eine rein philosophische Entscheidung. Man sollte sich für die zweite Möglichkeit entscheiden. In jedem Fall muß die Rolle so gelegt werden, daß sie hält und doch nicht wie geklebt aussieht. Außerdem sollte auch die Färbung nicht wesentlich von der des übrigen laufenden Guts abweichen. Und damit erscheint die Frage nach dem Klebstoff, den man zum Versteifen bzw. zum Verkleben gebraucht. Nehmen wir einfach Ponal (1: 1 mit Wasser gemischt). Was für Holz gut ist, reicht für Baumwolle allemal. Mit der Verfärbung ist das so: Jeder Klebstoff bringt bei Stoffen eine Verdunkelung, und das gleicht die weiße Farbe des Ponal wieder aus. Ob dieser Satz einer wissenschaftlichen Untersuchung standhält, weiß ich nicht, jedenfalls ist bei der Rolle kaum eine Verfärbung erkennbar. Die oft praktizierte Art des Wickelns, nämlich eine Wicklung schon neben die andere zu legen, mag zwar gar nicht schlecht aussehen, ist aber bei einem historischen Schiff kaum vorstellbar. Trotzdem ein Hinweis, wie es gemacht wird: die Rolle auf Klebeband zusammenlegen und mit Leim betupfen (Abb. 3/A). Ein Kompromiß ergibt sich aus der anschließend beschriebenen Fertigungsmethode. Hierzu braucht man nichts anderes als einen Rundstab (Spiralbohrerschaft), einen Kegel (Abb. 3/B) und einen Stempel (Abb. 3/C).
Der Ablauf:
Zu a): Bei diesem als "Ausweichlösung" bezeichneten Verfahren des Aufschießens außerhalb des Modells wird eine in den wesentlichen Maßen mit dem Modell übereinstimmende Vorrichtung eingesetzt (Abb. 3/D und Abb. 4). Von der Wirklichkeit abweichend hat diese Vorrichtung einen waagerecht liegenden Bolzen, der dazu dient, das Seil trotz seines geringen Gewichts nach unten zu ziehen.
Die Vorgehensweise ist, unabhängig von Form und Größe, immer die gleiche:
Zu b): Vom Einsatz einiger Hilfsmittel abgesehen, kommt das virtuelle Verfahren der Wirklichkeit schon sehr nahe. Besagte Hilfsmittel sind im Grunde nichts anderes, als Bolzen, die wie bei "a" beschrieben das Seil nach unten halten. Das Problem besteht darin, die Bolzen an der richtigen Stelle festzulegen. Die erste Ausführung ist in meinem Privatmuseum zu bewundern. Ein an "Star Wars" erinnernder Dreifuß mit einem höhen- und seitenverstellbaren Bolzen. Nur, um das Mini-Ungeheuer auf Deck zu befestigen, mußte ganz gewöhnlicher Knetgummi herhalten. Und der hat dann letztlich die ganze komplizierte "Mimik" ersetzt (Abb. 3/E und F). Abb. 5 zeigt die hierzu gehörende Fertigungsskizze. Es handelt sich um nichts anderes als zwei Bleche mit eingelötetem Stift und aufsteckbarem Bolzen. Die Möglichkeit des Abnehmens läßt sich auch durch eine Schraube erreichen. Das wiederum ist eine Gewichts- und Raumfrage beim Anheften an die Bordwand. Bei der Lötversion empfiehlt sich die Verwendung eines 0,8-mm-Bohrerschafts. Der läßt sich allerdings nur weichlöten unter Verwendung des in Teil 1 genannten Lötwassers Lotex Niro (Firma Cronitex). Mit diesem Lötwasser lassen sich übrigens fast alle hochlegierten Stähle weichlöten. Der Einsatz der auf Abb. 5 dargestellten Hilfsmittel wird von der Höhenlage der Belegstelle über Deck diktiert (Abb. 6/E/F):
Abb. 4: Aufschießbank
Abb. 5: Aufschießbleche (Abb. 3/E und F). |
Abb. 6: Einsatz der Aufschießbleche (Abb. 5); F: an der Bordwand, E: auf Deck. |
![]() |
Das Seil verlängern | -.- |
![]() |
Das Seil einscheren | -.- |
Das Seil in einen Block oder ein Scheibgat einscheren heißt in der Bastlersprache: eine Schnur in die Öffnung zwischen Scheibe und Schlitz einfädeln. Trotzdem man diesen Durchgang häufig schon etwas nachgearbeitet hat, will der Faden meistens nie so richtig reingehen. Die sicherste Methode ist die mit dem Sekundenkleber: Den Pilotbereich mit Sekundenkleber bestreichen und abbinden lassen, Der Faden ist zwar jetzt noch dicker geworden, aber dafür läßt sich der Fädelbereich mit 400er-Schmirgelpapier glätten und gegebenenfalls verjüngen. Da es mehr als eine Stunde dauern kann, ehe der durchtränkte Bereich zu einem Stab ausgehärtet ist, empfiehlt es sich, mehrere Läufer vorzubereiten.
![]() |
![]() |
![]() |
| Abb. 7: Klammer für Wantenrüsten Ausgangsmaße: Nagelabstand (7,5), Rüstbrettdicke (1,5). 1 = Grundkörper, 2 = Seitenteile, 3 = Bolzen, konisch und abgeflacht, 4 = 0,5-mm-Stahldraht. |
Abb. 8: Ein Seil verbinden. |
Abb. 10: Arbeit für das Wickelröhrchen. Bei X' ist das Seil aufgeschossen. |
![]() |
Ein Block fehlt | -.- |
Möglicherweise ist man bei dem unaufhaltsamen Forschritt des Takelvorgangs nicht mehr in der Stimmung, alle Zyklen der Herstellung eines geschlossenen Stropps zu durchlaufen.
"Mann", sagte einmal ein Kollege bei der Betrachtung dieses Ablaufs, "ich würde den Stropp einfach ankleben." Wie aus der anschließend gezeigten Fertigung ersichtlich ist, ist der Klebevorschlag dort realisiert. Nur, das Wort "einfach" stimmt auch hier nicht ganz. In jedem Fall ist es eine Ausweichlösung für jemanden, dem der "endlose" Blockstropp nicht gefällt. Für diese Ausführung wurde ein Block gewählt mit Einstecköse und einem eingefaßten Läuferstrang, dessen notwendige Länge vorher zu ermitteln ist.
![]() |
Herstellungsablauf (Abb. 9): | -.- |
Zum Abschluß dieser Klebeversion noch ein Wort zum Hauptakteur dieser Fertigung, nämlich dem Sekundenkleber Es ist ein feiner Klebstoff, wenn man versteht, damit umzugehen. Vor allem ist das Wort "Sekunden" differenziert zu betrachten: Wenn man etwa zwei ebene, saubere Messingteile mit wenig Kleber zusammendrückt, handelt es sich nur um Sekunden, das Gleiche gilt für zwei Finger - und die brauchen noch nicht einmal sauber zu sein. Bei anderen Materialien oder Materialpaarungen kann es bis zur Belastbarkeit schon einmal eine Stunde dauern. Also ist es keine Zeitverschwendung, es vorher an einem neutralen Teil zu versuchen.
![]() |
Das Wickelröhrchen | -.- |

Die Festlegung des Wickelfadens erfolgt in der gewohnten Weise mit Sekundenkleber.
Daß damit immer noch nicht alle Takelprobleme gelöst sind, wird sich in einer der nächsten
Ausgaben zeigen.
![]() |
Das Ausrichten von Rahen und Stengen | -.- |
Das Wort Vorplanung auf den Takelbereich übertragen, heißt Vorsorge zu treffen, daß Arbeiten, die beim Vorbild an Ort und Stelle geschehen, möglichst ambulant durchgeführt werden können. Wobei man bei diesen speziellen Ausrichtungsmanövern schon zufrieden sein kann, wenn aus der Arbeit vor Ort eine Arbeit "nahe Ort wird.
![]() |
Einstellung vor Ort | -.- |
Hier handelt es sich um Fälle, bei denen die Möglichkeit, die Einstelloperation außerhalb der
Modelle vorzunehmen, auszuschließen ist.
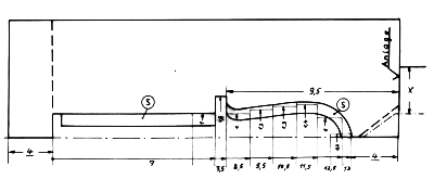
Auf Abb. 2 sind drei Beispiele vorgestellt:
a. Brassenläufer,
b. Topnantentakel und
c. Falltakel.
Dazu gibt es zwar keine Patentlösung, aber eine gute Hilfe kommt in Gestalt eines weißen Fadens.
Der wird um das Seil geknotet, und zwar an irgendeinem vorhandenen Bezugspunkt. Hierdurch läßt
sich eine maßlich gesteuerte Verstellung vornehmen.
![]() |
![]() |
![]() |
| Abb. 3: Rahausrichtung mit Belegung am unteren Block - a) einhakbar, b) Öse zur Einstellung ungeklebt. |
Abb. 4: Webeleinenknoten. Objekt von einer Seite zugänglich. |
Abb. 5: Webeleinenknoten, außerhalb geschlagen |
![]() |
![]() |
![]() |
| Abb. 6: Webeleinknoten, beide Seiten angebunden. |
Abb. 7: Block an Seil anbinden (Flaggenstich). 1. Nur Block, 2. Block mit Talje. |
Abb. 8: Herstellung der Hanger (Op. 1-3). E=Dx1,57+L-2x. |
![]() |
Einstellung "nahe Ort" | -.- |
Hinter diesem Titel verstecken sich alle Arbeiten an einem Seil oder Takel, dessen anderes Ende an einer Rah angeschlossen oder eingeschert ist.
![]() |
![]() |
| Abb. 9: Seilführung der Stagblock-Zurring. |
Abb. 12: Blockbindung an Wante. |
![]() |
Die Hanger der Fußpferde | -.- |
Die Montage der Hanger wird hier vernachlässigt, weil sie nur im Zusammenhang mit den übrigen
an der Rah befestigten Elementen, den Blöcken, den Racks und den Fällen betrachtet werden kann.
Die jeweilige Konstellation kann so unterschiedlich sein, daß sie nur von Fall zu Fall betrachtet
und geplant werden kann.
Eine grobe ist:
![]() |
Stagblock-Zurring | -.- |

![]() |
Hahnenpote | -.- |
Für jemanden bar jeder seemännischen Wissenschaft gibt es, mal von Mast und Bug abgesehen, nur ein Element, das sich nach dem Erscheinungsbild erkennen läßt: die Hahnenpote (Abb. 10). Wenn es allerdings darum geht, die Funktion zu definieren, zeigt sich auch bei vielen Modellbauern Ungewißheit. Aus alten Schriften geht hervor, daß vor der Einführung der Krähenfüße (so heißen sie auf Englisch) das Liek des Marssegels je nach Windverhältnissen unter die Mars geschlagen ist, was zur Zerstörung des Segels oder sogar der Mars geführt hat. Es kann allerdings nicht so schlimm gewesen sein, denn die Hahnenpote wurde später ersatzlos gestrichen. Wie dem auch sei, wo der Plan sie ausweist, muß sie angebracht werden. Eine einfache Methode wird in Abb. 11 demonstriert. Vorausgesetzt wird, daß die Löcher im Marsrand gebohrt und der zentrale Block mit einer Talje versehen ist. Wenn die Schnur nach dem von der Skizze vorgegebenen System eingezogen ist, können die einzelnen Stränge durch einfaches Hin- und Herziehen auf die gleiche Spannung gebracht werden. Die letzte Festlegung erfolgt durch Anbindung der Talje an die Wante. Die ungerade Zahl der Stränge und die durchgebohrten Löcher auf den meisten Darstellungen, lassen darauf schließen, daß diese Seilführung auch beim Vorbild angewandt wurde.
![]() |
Blockbindung an Wante oder Stag | -.- |
Hier ist man wieder genau wie bei der Zurring mit einer ganz einfachen Sache konfrontiert. Der Block muß an der Wante angebunden werden. Da aber das Zugseil vorwiegend in Wantenrichtung läuft, muß die Scheibenachse quer zum Haltetau liegen (Abb. 12). Da dies mit einer normalen Umschnürung nicht zu erreichen ist, führt man den Haltefaden immer über Kreuz. Dieses einfache Verfahren klappt recht gut. Nur stellt man nachher fest, daß sich die verschiedensten Formationen ergeben haben. Es ist also sinnvoll, daß man sich das auf Abb. 13 dargestellte Verfahren einprägt. Das nächste Kapitel befaßt sich mit einem Holzteil, das nicht so richtig in die Zimmermannsecke paßte, also ist es da untergebracht, wo es eigentlich gebraucht wird: im Takelbereich.
![]() |
![]() |
| Abb. 15: Sägen auf Umschlag, 7-mm-Nut. Einstellmaß (Vorarbeit 0,5 Zug) E = "60 - 7) : 2) + 0,5 = 27. |
Abb. 16: Findung der Schablonenposition für 1,8-mm-Nageldurchmesser bei 1 mm Sägedicke. |
![]() |
Der Belegnagel | -.- |
Auf englischen Schiffen nannte man diese Belegelemente "coffin nails" (Sargnägel). Dies rührt wohl daher, daß diese Stäbe häufig zweckentfremdend als Überzeugungsargument eingesetzt wurden, was dann mitunter das Ableben des Unbelehrbaren zur Folge hatte. Bei einer Verkleinerung dieser Corpus delicti um das Fünfzigfache ist solch ein Unfall auszuschließen. Und damit wenden wir uns in aller Ruhe der Fertigung zu. Gesetzt den Fall, man benötigte ein bis zwei solcher Nägelchen, würde man sich ein Stäbchen entsprechenden Durchmessers drehen. ein Brettchen drunter halten und mit einer feinen Dreikantfeile den Rest erledigen. Das Einzige, was bei dieser Fertigung nicht stimmt, ist die Stückzahl. Die müßte man im günstigsten Falle wieder mit 50 multiplizieren. Und da es meist nicht bei einem Modell bleibt, muß die Fertigung etwas optimiert werden. Was hier vorgeschlagen wird, ist eine Kleinst-Drehmaschine, deren Bau nichts anderes erfordert als eine gute Kreissäge und eine Bohrmaschine. Das Antriebsaggregat unserer Drehmaschine ist die kleine "Kraftbohrmaschine" von Böhler. Alles Übrige ist gut gelagertes Hartholz. Nur das 1 mm dicke Kopierlineal ist aus V2A-Stahl und vielleicht die Bohrmaschinenklammern, aber hier tut's auch Messingblech. Alle wichtigen Maße stehen auf der Skizze (Abb. 14). Da wir uns hier auf einen bescheidenen Maschineneinsatz beschränken wollen, fallen natürlich einige Operationen an, die sich bei maßhaltig exakt steuerbaren Vorgängen erübrigen würden. Die Parameter, die bei diesem Maschinchen zu einem befriedigenden Arbeitsergebnis führen, sind die Parallelität der Spindelachse zur Tischauflage "T" und zur Schablonennut. Weiterhin muß der Tischabstand von der theoretischen Spindelmitte die Hälfte des Nageldurchmessers betragen. Das wird durch folgenden Arbeitsablauf erreicht:
![]() |
![]() |
![]() |
| Abb. 17: Belegnagel mit Schablone. |
Abb. 19: Feststellhaken an Kleinbohrmaschine. |
Abb. 21: Vorformen des Schmirgelleinens. |

Maschinenbedienung
Die Maschine ist ausgelegt zur Bearbeitung von drei Stück je Rohlingsspannung. Die Bearbeitung erfolgt mit drei Nadelfeilen, einer dreieckigen, einer runden und einer flachen. Die Schablonenstellung ist so gewählt, daß die dünne Seite zum Spannfutter zeigt, so daß die Auflage bis zum Abstich immer von dem verbleibenden Rohling übernommen wird (siehe Abb. 17). Eine günstige Drehzahl liegt innerhalb des unteren Bereichs der vorgeschlagenen Bohrmaschine. Was das Material anbelangt, so ist jedes eng gewachsene Schnitzholz verwendbar. Die auf Abb. 18 abgelichteten Belegnägel sind aus Ebenholz gefertigt. Dieses Holz ist zwar gut geeignet, doch setzt der Werkstoff die Feilen schnell zu, so daß sie wiederholt mit einer Messingbürste gereinigt werden müssen. Die oben angesprochene Bearbeitungslänge (drei Stück) läßt sich vergrößern durch eine entsprechende Verlängerung des Tischs (Maß 60). Die durch die Kopierschablone entstehenden Durchmesser sind in geringem Maße beeinflußbar durch die Abweichung des Werkzeugs von der Waagerechten. Damit dem Bediener beide Hände zur Verfügung stehen, sollte man den Schaltknopf mit einer Feststellklammer versehen (Abb. 19). Sie besteht aus einem uförmig gebogenen Draht, schwenkbar gelagert in einem angeklebten Röhrchen.
Endbearbeitung
Die Endbearbeitung erfolgt
a) mit einem Kleinschleifer,
b) mit der Sonderausstattung zur Nagel-Drehmaschine.
Zu a) Durch die vorher erwähnte Stellung des Werkzeugs, die maßliche Toleranz der Rohlingsstäbe und deren Rundheit ist ein leichter Unterschied der Belegnägel in Form und Durchmesser nicht zu vermeiden. Bei sonst gutem Allgemeinzustand erfolgt eine Nachbehandlung mit 400er- und 800erSchleifpapier. Hierzu wird zuerst das Griffteil in einen noch hochtourigen Kleinschleifer eingespannt und der Schaft je nach Form und Durchmesser auf dem Randbereich eines Stückes Schleifpapier ohne Unterlage frei in der Hand gehalten. Nach einem eventuellen Wechsel der Spannpatrone geschieht das Gleiche mit dem Griffteil. Der vornehme sanfte Glanz wird erreicht mit Stahlwolle 000 oder ganz einfach auf der Rückseite des Schmirgelpapiers. Eine Alternative zur Formgebung bzw. -korrektur ist der im Anschluß beschriebene Einsatz eines Formschmirgelholzes.
Zu b) Was hier unter dem bombastischen Begriff Sonderausstattung vorgestellt wird, ist ganz einfach ein weiteres Bearbeitungswerkzeug, allerdings mit dem exakten Profil des Nagels. Die ideale Ausführung wäre eine diamantbeschichtete Formfeile. Aber wer hat schon die technischen Möglichkeiten, so etwas herzustellen? Begnügen wir uns also mit einem Formschmirgelholz. Wenn man die Länge auf etwa 50 mm beschränkt, dürfte die Herstellung nicht allzu schwierig sein. Wenn man sich das Zurechtschleifen eines Formfräsers ersparen will, bleibt man auch mit dem gerundeten Bereich auf der Säge mit nachfolgender Schmirgelarbeit (Abb. 20). Die Verkleinerung des Raums durch die Dicke des Schmirgelleinens muß berücksichtigt werden. Bei Verwendung von 280er-Schleifband handelt es sich um etwa 0,5 mm. Damit das ungelenke Schmirgelleinen in dem gerundeten Kopfbereich zu einer satten Anlage kommt, muß er entsprechend präpariert werden. Wie Abb. 21 zeigt, wird die Rundung vorgeformt. In diesem speziellen Fall ist es ein Radius von 1 mm und damit ein Rundstab (Bohrer) von 2 mm Durchmesser, der mit dem Schmirgelleinen in eine Rille von 3 mm Breite und einer Tiefe von 2,5 mm im Schraubstock eingedrückt wird und dort einen Tag verbleibt.
Der erfolgreiche Einsatz dieses Formwerkzeugs hängt davon ab, daß 1. die konkave Form des Schmirgelholzes genau mit der konvexen der Schablone übereinstimmt und 2. in Längsrichtung genau positioniert ist. Das bedarf allerdings einiger Mühe. Der Vorgang auf der Maschine unterscheidet sich verglichen mit dem unter "a" beschriebenen dadurch, daß außer den Ecken am Kragen etwas Aufmaß belassen wird. Zur Erreichung einer glänzenden Oberfläche müssen dann zusätzliche Schleifmittel eingesetzt werden.
Übrigens läßt sich der ganze Vorgang auch auf eine Klein-Drehmaschine übertragen, indem man
den Schablonentisch auf dem Support aufbaut. Wenn man also eine hat, genießt man ein paar
wesentliche Vorteile:
Neben einer unkomplizierten Ausricht- und Justiermöglichkeit läßt die Hohlspindel einen einfachen
Vorschub zu. Dadurch entfällt das lästige Vorschieben der Schablone. Das Prinzip des
beschriebenen Verfahrens ist bei einigen Modifikationen auch für ähnlich geartete Rundkörper
einsetzbar, etwa für Säulen, Geländerstützen und Traljen.
Ein Rückblick auf all diese "Nagelei" erinnert uns an Shakespeare mit seiner Komödie "Mach Ado about Nails" (oder so ähnlich). Das waren die Regel ohne Segel, doch irgendwann kommen auch die Segel dran. Zum Abschluß noch eine Entdeckung ganz in eigener Sache: Ich ärgere mich seit über 50 Jahren über die Eselsohren, die sich mit tödlicher Sicherheit am unteren Rand eines Schreibblocks bilden. Seit zwei Tagen lege ich den Block mit der gelehnten Seite nach unten ...